World Of Controls understands the criticality of your requirement and works towards reducing the lead time as much as possible.
IS200SPROH2A - Emergency Protection Terminal Board is available in stock which ships the same day.
IS200SPROH2A - Emergency Protection Terminal Board comes in UNUSED as well as REBUILT condition.
To avail our best deals for IS200SPROH2A - Emergency Protection Terminal Board, contact us and we will get back to you within 24 hours.
SPECIFICATIONS
Part Number: IS200SPROH2A
Manufacturer: General Electric
Series: Mark VIe
Product Type: Protection Board
Country/Region of Manufacture: United States
Availability: In Stock
Size: 15.9 cm high x 17.8 cm wide (6.25 in. x 7.0 in.)
Operating Temperature: -30 to 65oC (-22 to +149 oF)
Manual: GEH-6153
FUNCTIONAL DESCRIPTION
IS200SPROH2A is an Emergency Protection Terminal Board manufactured by General Electric as part of the mark VIe series used in gas turbine control systems. An I/O pack for PPRO or YPRO is hosted on the Emergency Protection (SPRO) terminal board. It includes two potential transformers (PTS) for the bus and generator voltage inputs and conditions speed signal inputs for the I/O pack. It has a DC-37 pin connector right next to the PPRO or YPRO I/O pack connector that will accept a cable going to a terminal board for a backup trip relay. In a Mark VIe or Mark VleS control system, the backup protection is formed by the SPRO and PPRO/YPRO with wiring into a tip relay board, as shown in the following image. PTUR or YTUR, TTUR, and a primary trip relay terminal board offer primary protection.

Fig 1: Turbine Control and Protection Boards
COMPATIBILITY:

The SPRO provides a DC-37 connector for a cable to connect to the chosen backup trip relay terminal board, and it accepts the direct installation of one PPROH1A or YPROS1A. The following table lists the trip boards that SPRO is cable compatible with.

INSTALLATION:
A sheet metal carrier that is mounted on a DIN-rail carries the SPRO and a plastic insulator. The SPRO and insulator can also be mounted on a sheet metal assembly that bolts into a panel. The normal #18 AWG wires are used to connect speed signals and PT inputs directly to the terminal block. For board replacement, the SPROIA barrier terminal block is detachable. The terminals of the SPRO2A Euro-block style terminal block can be taken out to replace a board.
Mounting the 1/0 pack on connector JAI of the SPRO is a direct process. The other end of a DC-37 pin conductor cable is connected to the chosen backup trip terminal board, while one end is plugged into connector JA3 of SPRO.
OPERATION:
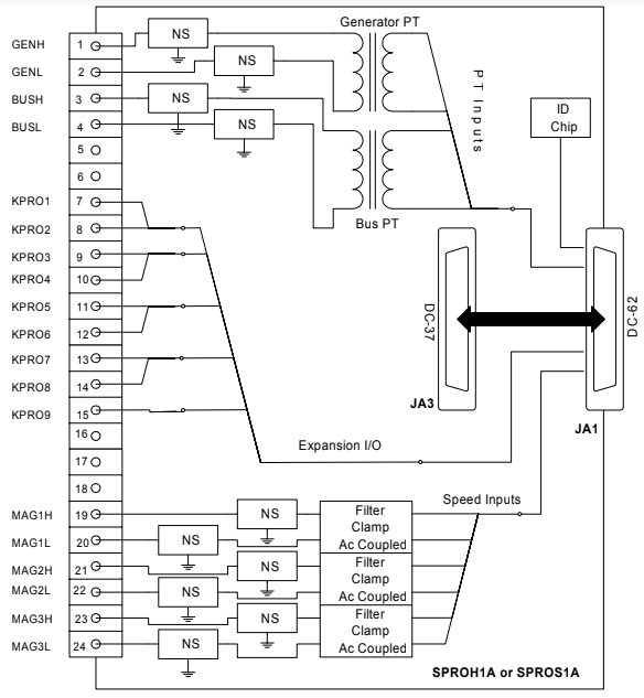
The PT inputs to SPRO are shown on terminals 1-4 in the following figure. On terminals 19–24, three-speed inputs are presented. The JAI I/O pack connector is connected to terminals 7 through 15, which are set aside for future control feature extension. There is no board connection at terminals 5–6, and 16–18. The I/O pack and the trip terminal board cables are located at the JAI and JA3 connectors.

Fig 2: SPRO Signal Inputs
DIAGNOSTICS:
Electronic ID components on the SPRO board and backup trip relay terminal board are scanned during power initiation. PPRO or YPRO use this data to verify a working hardware configuration before starting regular operation.
CONFIGURATION:
The board doesn't have any jumpers or hardware settings.
WOC has the largest stock of GE Speedtronic Mark VIe Replacement Parts. We can also repair your faulty boards. WORLD OF CONTROLS can also supply unused and rebuilt backed up with a warranty. Our team of experts is available round the clock to support your OEM needs. Our team of experts at WOC is happy to assist you with any of your automation requirements. For pricing and availability on any parts and repairs, kindly get in touch with our team by phone or email.
FREQUENTLY ASKED QUESTIONS
What is Mark VI IS200SPROH2A?
The Mark VI IS200SPROH2A is a PPRO Terminal Board.
Does the IS200SPROH2A have a Warranty?
WOC can also supply UNUSED and REBUILT IS200SPROH2A backed up with a warranty of 24 months.
How long does it take for a WOC IS200SPROH2A to Ship?
WOC maintains a large inventory and can fulfill many orders on the same day. Please contact us for additional information.
How do I get in touch with WOC?
Please contact World of Controls FZE for sales at +1 609 385 1231